Dioda laserowa DFB 1653 nm i mocy 40 mW do czujnika metanu CH4 Sensing wykorzystuje płaską konstrukcję z chipem na podnośnej. Układ dużej mocy jest hermetycznie zamknięty w 14-pinowej obudowie motylkowej niezawierającej epoksydów ani topników i wyposażony w termistor, chłodnicę termoelektryczną i diodę monitorującą, aby zapewnić wysoką jakość działania lasera. Nasze produkty laserowe posiadają certyfikat Telcordia GR-468 i są zgodne z dyrektywami RoHS.
Dioda laserowa DFB 1653 nm i mocy 40 mW do czujnika metanu CH4 Sensing wykorzystuje płaską konstrukcję z chipem na podnośnej. Układ dużej mocy jest hermetycznie zamknięty w 14-pinowej obudowie motylkowej niezawierającej epoksydów ani topników i wyposażony w termistor, chłodnicę termoelektryczną i diodę monitorującą, aby zapewnić wysoką jakość działania lasera. Nasze produkty laserowe posiadają certyfikat Telcordia GR-468 i są zgodne z dyrektywami RoHS.
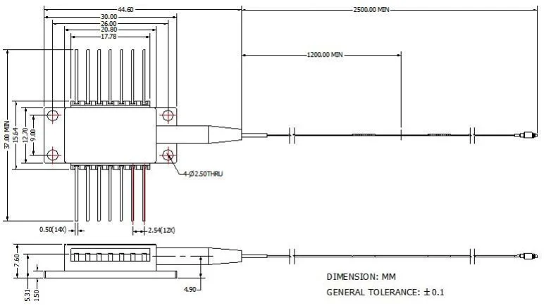
Standardowy w branży 14-pinowy pakiet motylkowy;
Wbudowany izolator TEC i optyczny;
Wysokowydajny laser ze studnią wielokwantową (MQW) z rozproszonym sprzężeniem zwrotnym (DFB).
Testowanie produkcyjne elementów pasywnych do wykrywania gazu;
System detekcji gazów światłowodowych;
Źródła laserowe.
| Parametr | Symbol | Stan | Min. | Typ. | Maks. | Jednostka |
| Środkowa długość fali | λc | TL = 15 ~ 35 ℃ CW | 1652.7 | 1653.7 | 1654.7 | nm |
| Optyczna moc wyjściowa | Po | CW | - | 40 | - | mW |
| LD Prąd progowy | TO | CW | - | 15 | 40 | mama |
| LD Prąd przewodzenia | Jeśli | Pf = moc znamionowa | - | 300 | 400 | mama |
| Izolacja optyczna | - | -10 |
30
|
-
|
-
|
dB |
|
| Współczynnik tłumienia trybu bocznego | SMSR | CW | 35 | 40 | - | dB |
| Monitoruj responsywność | Jestem /Pf | - | - | 1 | 20 | uA/mW |
| Monitoruj stabilność reakcji | - | - | - | - | 20% | - |
| Monitoruj ciemny prąd | Id | VPD = 5 V | - | - | 50 | nA |
| Prąd TEC | ITEC | Tprzypadek = 75 ℃ | - | - | 2 | A |
| Napięcie TEC | VTEC | Tprzypadek = 75 ℃ | - | - | 3.5 | V |
| Zużycie energii TEC | P | Tstg = 25 ℃ | - | - | 5 | W |
| Rezystancja termistora | Rt | Tprzypadek = 75 ℃ | 9.5 | 10 | 10.5 | Kohm |
| Stała termistora B | Bt | Tstg = 25 ℃ | - | 3900 | - | K |
| Dryft długości fali (EOL) | △λ | Testowane przez 25 lat życia | - | - | ±0,1 | nm |
| Fala. Współczynnik temperaturowy | Δλ/ΔT | Temperatura TEC od 15 ℃ do 35 ℃ | - | 0.09 | - | nm/℃ |
| Długość fali Współczynnik prądu | Δλ/ΔΙ | - | - | 0.01 | - | nm/mA |

Wszystkie produkty zostały przetestowane przed wysyłką;
Wszystkie produkty objęte są 1-3-letnią gwarancją. (Po upływie okresu gwarancji jakości naliczana jest odpowiednia opłata za usługę serwisową.)
Doceniamy Twoją firmę i oferujemy natychmiastową politykę zwrotu w ciągu 7 dni. (7 dni od otrzymania przedmiotów);
Jeśli produkty zakupione w naszym sklepie nie są doskonałej jakości, to znaczy nie działają pod względem elektronicznym zgodnie ze specyfikacjami producenta, po prostu zwróć je nam w celu wymiany lub zwrotu pieniędzy;
Jeśli elementy są wadliwe, prosimy o powiadomienie nas w ciągu 3 dni od daty dostawy;
Wszelkie elementy muszą zostać zwrócone w oryginalnym stanie, aby kwalifikować się do zwrotu pieniędzy lub wymiany;
Kupujący jest odpowiedzialny za wszystkie poniesione koszty wysyłki.
P: Jaka jest dokładność długości fali?
Odp.: +/-0,5 nm.
P: Czy masz inne wersje mocy wyjściowej?
Odp.: 10 mW, 15 mW, 50 mW.
1512nm 10mW DFB 14PIN Butterfly Laser do wykrywania NH3
1392nm DFB Butterfly Laser Dioda do wykrywania wilgoci H2O
Dioda laserowa motylkowa DFB 1653nm do wykrywania CH4
Dioda laserowa motylkowa 1567 nm DFB do wykrywania CO
Dioda laserowa DFB 1578 nm 10 mW do wykrywania siarkowodoru
Dioda laserowa 1580nm DFB Butterfly do wykrywania CO2Prawa autorskie @ 2020 Shenzhen Box Optronics Technology Co., Ltd. - Chiny Moduły światłowodowe, producenci laserów ze sprzężeniem światłowodowym, dostawcy komponentów laserowych Wszelkie prawa zastrzeżone.